随着电动汽车在世界各地的快速发展,氢燃料电池电动汽车正走上使现代交通方式脱碳的道路。随着能源系统越来越依赖可再生能源,氢能将在绿色能源的发电和储存中发挥非常重要的作用。
通过对汽车、IT和可再生能源应用的技术创新,利普思旨在推动人类走向更美好、更绿色的未来。利普思致力于为跨行业和应用领域的电力电子工程师提供可靠的解决方案,为此利普思向市场推出了其全新的F0系列混合动力模块。
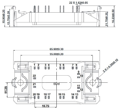
F0系列是1200 V混合电源模块,带有压配合终端,集成了高性能IGBT芯片和碳化硅二极管(图1)。F0系列混合动力模块专门设计用于:
· 光伏逆变器
· UPS
· 燃料电池 DC/DC 整流器
· 储能系统

图1. F0 系列混合功率模块
为了生产高可靠性的F0系列混合功率模块,利普思半导体采用日本全新的一代IGBT芯片和碳化硅二极管。此外,F0混合模块具有氮化硅AMB基板,它结合了较强的机械稳健性和优异的散热性能,具有非常高的功率密度。
F0系列混合功率模块提供的其他特性:
Ø阻断电压 1200 V
Ø非常低的饱和电压VCE (sat)
Ø碳化硅二极管
Ø1600 V旁路和反并联二极管
Ø低电感设计
Ø低热阻
Ø内部热敏电阻
Ø结温度高达175°C
目前,利普思提供F0系列混合功率模块双路升压为50A(图2),阻断电压为1200V。



图2. 利普思 F0 产品线
利普思的碳化硅、IGBT和混合功率模块,包括F0系列,满足汽车和可再生能源应用领域的所有需求,利普思与其合作伙伴一起,为实现设定的目标做出贡献,以应对包括绿色能源发电、存储和传输在内的全球挑战。